منتجات
مؤقت تبديل الضوء التلقائي
  • مؤقت تبديل الضوء التلقائيمؤقت تبديل الضوء التلقائي
  • مؤقت تبديل الضوء التلقائيمؤقت تبديل الضوء التلقائي
  • مؤقت تبديل الضوء التلقائيمؤقت تبديل الضوء التلقائي
  • مؤقت تبديل الضوء التلقائيمؤقت تبديل الضوء التلقائي

مؤقت تبديل الضوء التلقائي

مؤقت مفتاح الإضاءة الأوتوماتيكي عالي الجودة XUCKY، يتوفر مفتاح وقت الدرج ALST8 في سكة DIN. وقت التشغيل من 1 دقيقة إلى 7 دقائق، ومزود بحماية إلكترونية من التحميل الزائد.

مؤقت مفتاح الإضاءة الأوتوماتيكي عالي الجودة XUCKY، يتوفر مفتاح وقت الدرج ALST8 في سكة DIN. وقت التشغيل من 1 دقيقة إلى 7 دقائق، ومزود بحماية إلكترونية من التحميل الزائد.

● تبديل التبديل للضوء الدائم

● لا يوجد استهلاك تيار للدائرة المغلقة

● التحكم بمفتاح الدفع الخارجي

● يمكن الاعتماد عليه بفضل المحرك المتزامن

● حساسية منخفضة للتداخل

● ميكانيكا الدقة وبالتالي فترة التبديل الدقيقة

● أبسط إعداد ممكن للوقت وقراءة وقت التأخير المباشر على المقياس المطلق


وصف

XUCKY مؤقت مفتاح الإضاءة الأوتوماتيكي عالي الجودة مخصص للتطبيق في صندوق التبديل الكهربائي لإيقاف دائرة معينة مع فترة عد تنازلي من دقيقة واحدة إلى 7 دقائق. يمكن أن يعمل أيضًا كمفتاح تشغيل/إيقاف عادي. يتيح مفتاح وقت العد التنازلي الاتصال بالعديد من المفاتيح (سواء مع أو بدون مفتاح النيون) في مواقع مختلفة لمزيد من التحكم المريح.


اختيار المنتج

الجهد االكهربى

230 فولت

تكرار

50 هرتز

تبديل القدرة

16 أ


الحد الأقصى للحمل الموصى به (10000 عملية)

حمل المصباح المتوهج/الهالوجين 230 فولت

دائرة تأخر حمل مصباح الفلورسنت (التقليدية).

حمل مصباح الفلورسنت (التقليدي) مصحح بالتوازي

المصابيح الموفرة للطاقة

مصباح LED < 2 وات

مصباح LED 2-8 وات

التركيب والتوصيل

2300 واط

2300 فولت أمبير

1300 فولت أمبير 70 ميكرو فهرنهايت

150 واط

30 واط

300 واط

300 واط


البيانات الفنية

حمل مصباح الفلورسنت (الصابورة الإلكترونية)

600 واط

نوع الاتصال

3-/4-الموصلات

التبديل الثانوي

بعد الثلاثينيات

مواد الإسكان والعزل

بلاستيك حراري مقاوم لدرجات الحرارة العالية، ذاتي الإطفاء

استهلاك الاستعداد

0 واط

نوع الحماية

إب 20

فئة الحماية

II وفقًا للمواصفة EN 60 730-1

درجة الحرارة المحيطة المسموح بها

-10 ~ +50 درجة مئوية (غير متجمد)

الموافقة على الاختبار

م


تحديد

التصنيف الحالي 230 فولت ~ 50 هرتز
الحمل الأومي 16 أمبير، الحد الأقصى 3680 واط
الحمل الاستقرائي 230 فولت ~، 4A /cosΦ0.4
فترة العد التنازلي من 1 دقيقة إلى 7 دقائق
دقة 0 إلى 1 دقيقة: ±10 ثانية
من 0 إلى 7 دقائق: ±18 ثانية
تصنيف IP IP20
درجة حرارة العمل -10 درجة مئوية إلى 55 درجة مئوية


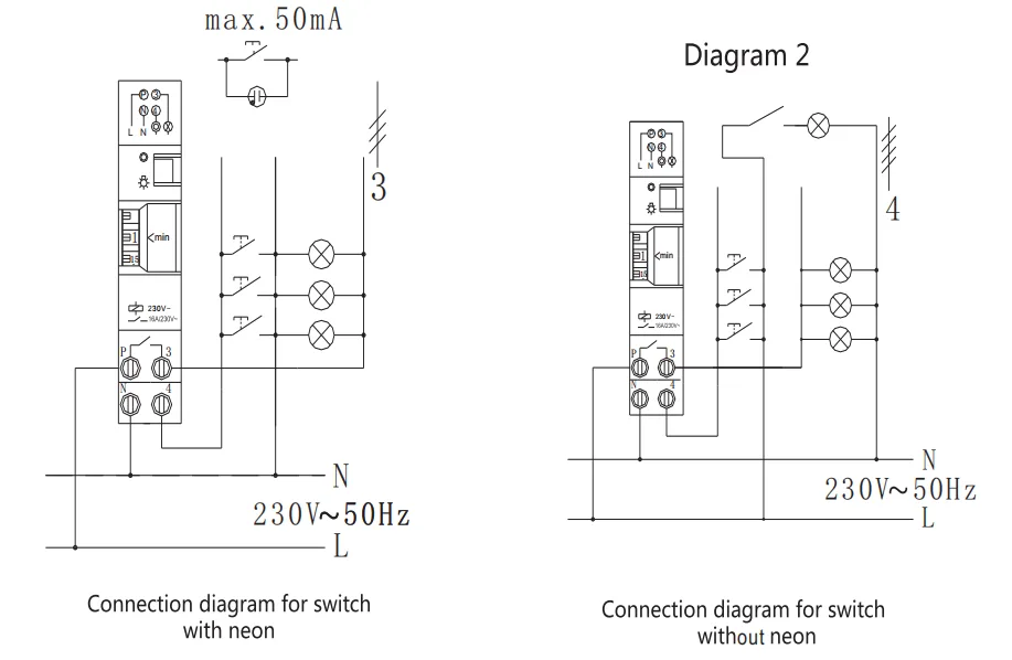
مخططات الأسلاك


التركيب والتوصيل

1. مصمم لسهولة التركيب في صندوق التبديل الكهربائي، ما عليك سوى ربط المؤقت على الدرابزين والضغط حتى تسمع "نقرة". للإزالة، اسحب المقبض الموجود أسفل المؤقت لتحريره.

2. مفتاح الوقت يسمح بالاتصال بالمفتاح (مع أو بدون ضوء النيون).

أ. قم بتوصيل الأسلاك كما هو موضح في الشكل 1 للمفتاح الذي يحتوي على نيون والشكل 2 للمفتاح الذي لا يحتوي على نيون.

ب. قم بتشغيل المفتاح إلى المواضع، وتشغيل الطاقة دائمًا.

ج. بالنسبة لوظائف العد التنازلي، أدر مقبض الوقت إلى فترة العد التنازلي المطلوبة (من دقيقة واحدة إلى 7 دقائق).

د.ثم، ضع المفتاح على المواضع، ويتم إيقاف تشغيل الطاقة. يكون مفتاح الوقت في وضع الاستعداد لوظيفة العد التنازلي.

ه.اضغط على مفتاح النيون لتنشيط وظيفة العد التنازلي، ويتم تشغيل الطاقة. سيتم إيقاف تشغيله تلقائيًا وفقًا للوقت المحدد مسبقًا.

و. يجب ألا يتجاوز إجمالي التيار للنيون 50 مللي أمبير. إذا كان النيون يحمل تيارًا قدره 1 مللي أمبير، فيجب عدم توصيل أكثر من 50 مفتاح نيون بمفتاح العد التنازلي.

g. بالنسبة للتبديل بدون نيون، يمكنك توصيل أكبر عدد ممكن في مواقع مختلفة لسهولة التحكم.

3. عندما يكون مفتاح الوقت في وضع العد التنازلي، لن تكون هناك واجهة عن طريق:

الضغط على المفتاح المتصل (سواء مع أو بدون مفتاح النيون). تحويل مقبض الوقت إلى فترة العد التنازلي المختلفة.



الكلمات الساخنة: مؤقت تبديل الضوء التلقائي، الصين، الشركة المصنعة، المورد، المصنع
إرسال استفسار
معلومات الاتصال
  • عنوان

    No.2567 Liuqing South Road ، Liushi ، Yueqing ، Wenzhou ، Zhejiang ، China

  • بريد إلكتروني

    xucky@xucky.com

اطلب عرض الأسعار المجاني الخاص بك وعينة من الحلول المخصصة

أرسل استفسارًا اليوم مع عرض أسعار تنافسي مصمم وفقًا لمواصفاتك.

X
نحن نستخدم ملفات تعريف الارتباط لنقدم لك تجربة تصفح أفضل، وتحليل حركة مرور الموقع، وتخصيص المحتوى. باستخدام هذا الموقع، فإنك توافق على استخدامنا لملفات تعريف الارتباط. سياسة الخصوصية
يرفض يقبل